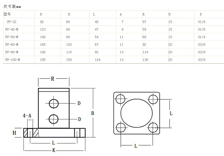
產品名稱:(精品直線左右運動)活塞往復氣動振動器FP-32-M,FP40-M,FP50-M,FP60-M(FP全系列 )
產品說明:
(飛馳 FEICHIAN )質保兩年
活塞往復氣動振動器 直線 左右振動 上下振動 可任意角度安裝,耗氣少。
外觀漂亮,性能穩定,質量可靠,動力和頻率均可調
FP32 FP-40-M FP-50-M FP-60-M FP-80-M FP-100-M全系列


為了達到振動的精密度,為此我們建立了一套完整的品控體系

活塞往復振動器FP30/40/50/60/80/100M全系列